Вентилятор осевой YWF с настенной панелью в Новосибирске
- Лопасти из углеродистой стали с полимерным покрытием
- Удобный монтаж
- Установка в любом положении
- Ресурс не менее 40 000 часов работы
- Класс защиты электродвигателя IP 54
- Биметаллическая защита двигателя
- Температура перемещаемого воздуха -25...+ 40ºС
Вентиляторы серии YWF имеют электродвигатели с внешним ротором. Вентиляторы оснащены крыльчаткой с серповидными лопастями, которая имеет динамическую балансировку в двух плоскостях для достижения минимального уровня шума.
Вентиляторы данной серии легко монтируются в стеновые проемы или другие несущие конструкции. Могут использоваться для отвода тепла или обдува различных технологических установок и оборудования.
Стандартное направление вращения лопастей вентиляторов YWF — против часовой стрелки, если смотреть на ротор — всасывание, направление вращения лопастей по часовой стрелке — нагнетание.
Особенности:
- Компактные, малошумные вентиляторы;
- Лопасти из углеродистой стали с лакокрасочным покрытием;
- Удобный монтаж;
- Установка в любом положении;
- Ресурс не менее 40 000 часов работы;
- Класс защиты электродвигателя IP 54;
- Биметаллическая защита двигателя;
- Температура перемещаемого воздуха -25°С...+40°С.
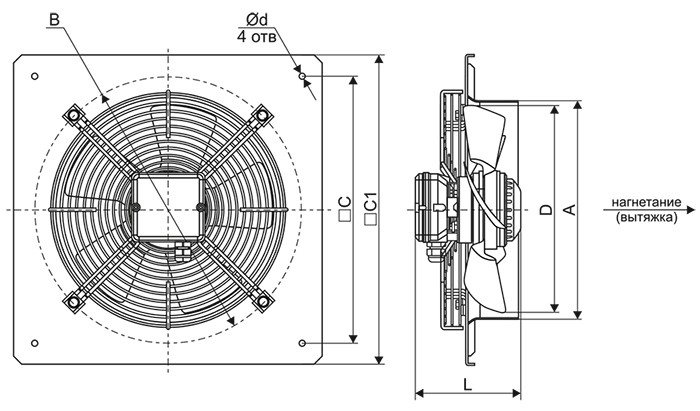
Габаритные и присоединительные размеры

|
Модель |
D |
A |
B |
C |
C1 |
L |
d |
|
YWF(K)-200-ZF |
195 |
212 |
250 |
260 |
312 |
126 |
7 |
|
YWF(K)2Е-250-ZF |
250 |
263 |
320 |
320 |
370 |
134 |
7 |
|
YWF(K)4Е/4D-250-ZF |
250 |
263 |
320 |
320 |
370 |
126 |
7 |
|
YWF(K)2Е/2D-300-ZF |
300 |
316 |
388 |
380 |
430 |
158 |
9 |
|
YWF(K)4Е/4D-300-ZF |
300 |
316 |
388 |
380 |
430 |
143 |
9 |
|
YWF(K)-350-ZF |
350 |
363 |
440 |
435 |
485 |
158 |
9 |
|
YWF(K)-400-ZF |
391 |
403 |
522 |
490 |
540 |
171 |
9 |
|
YWF(K)-450-ZF |
446 |
463 |
576 |
535 |
575 |
183 |
11 |
|
YWF(K)-500-ZF |
499 |
514 |
623 |
615 |
655 |
197 |
11 |
|
YWF(K)-550-ZF |
553 |
563 |
675 |
675 |
725 |
212 |
11 |
|
YWF(K)-630-ZF |
628 |
648 |
785 |
750 |
805 |
221 |
11 |
|
YWF(K)-710-ZF |
703 |
714 |
876 |
810 |
850 |
300 |
14,5 |
|
YWF(K)-800-ZF |
786 |
800 |
968 |
910 |
970 |
305 |
14,5 |
|
YWF(K)-910-ZF |
903 |
943 |
1075 |
1010 |
1070 |
285 |
14,5 |
Технические характеристики
|
Модель |
Напряжение/ частота, В/50Гц |
Число фаз |
Потребляемая мощность, кВт |
Ток, А |
Частота вращения, об/мин |
Масса, кг |
Уровень звукового давления, дБа |
Расход воздуха, м3/ч |
|
YWF-2Е-200 with plate (ZF) |
220 |
1 |
0,08 |
0,35 |
2700 |
3,3 |
60 |
870 |
|
YWF-4Е-200 with plate (ZF) |
220 |
1 |
0,029 |
0,12 |
1460 |
3,1 |
48 |
490 |
|
YWF-2Е-250 with plate (ZF) |
220 |
1 |
0,18 |
0,78 |
2500 |
4,4 |
68 |
1800 |
|
YWF-4D-250 with plate (ZF) |
380 |
3 |
0,06 |
0,13 |
1350 |
4,1 |
50 |
1000 |
|
YWF-4Е-250 with plate (ZF) |
220 |
1 |
0,05 |
0,22 |
1380 |
4,1 |
50 |
1000 |
|
YWF-2D-300 with plate (ZF) |
380 |
3 |
0,25 |
0,45 |
2500 |
6,2 |
72 |
3000 |
|
YWF-2Е-300 with plate (ZF) |
220 |
1 |
0,25 |
1,1 |
2530 |
6,2 |
70 |
3000 |
|
YWF-4D-300 with plate (ZF) |
380 |
3 |
0,095 |
0,26 |
1400 |
6,0 |
55 |
1950 |
|
YWF-4Е-300 with plate (ZF) |
220 |
1 |
0,09 |
0,38 |
1370 |
6,0 |
55 |
1900 |
|
YWF-4D-350 with plate (ZF) |
380 |
3 |
0,145 |
0,37 |
1390 |
7,5 |
63 |
3110 |
|
YWF-4Е-350 with plate (ZF) |
220 |
1 |
0,138 |
0,68 |
1370 |
7,5 |
62 |
2980 |
|
YWF-6D-350 with plate (ZF) |
380 |
3 |
0,09 |
0,29 |
940 |
7,5 |
53 |
2100 |
|
YWF-6Е-350 with plate (ZF) |
220 |
1 |
0,08 |
0,4 |
930 |
7,5 |
53 |
2100 |
|
YWF-4D-400 with plate (ZF) |
380 |
3 |
0,19 |
0,48 |
1380 |
9,2 |
67 |
3700 |
|
YWF-4Е-400 with plate (ZF) |
220 |
1 |
0,18 |
0,81 |
1350 |
9,2 |
67 |
3700 |
|
YWF-6D-400 with plate (ZF) |
380 |
3 |
0,115 |
0,36 |
900 |
9,2 |
60 |
2800 |
|
YWF-6Е-400 with plate (ZF) |
220 |
1 |
0,115 |
0,67 |
940 |
9,2 |
58 |
2800 |
|
YWF-4D-450 with plate (ZF) |
380 |
3 |
0,25 |
0,58 |
1400 |
10,5 |
68 |
4820 |
|
YWF-4Е-450 with plate (ZF) |
220 |
1 |
0,25 |
1,15 |
1380 |
10,5 |
71 |
4800 |
|
YWF-6D-450 with plate (ZF) |
380 |
3 |
0,15 |
0,48 |
930 |
10,5 |
62 |
3100 |
|
YWF-6Е-450 with plate (ZF) |
220 |
1 |
0,12 |
0,6 |
950 |
10,5 |
60 |
3100 |
|
YWF-4D-500 with plate (ZF) |
380 |
3 |
0,45 |
0,93 |
1320 |
15,1 |
72 |
7000 |
|
YWF-4Е-500 with plate (ZF) |
220 |
1 |
0,42 |
1,85 |
1320 |
15,1 |
72 |
6950 |
|
YWF-6D-500 with plate (ZF) |
380 |
3 |
0,25 |
0,78 |
920 |
15,1 |
67 |
5130 |
|
YWF-6Е-500 with plate (ZF) |
220 |
1 |
0,23 |
1,15 |
920 |
15,1 |
67 |
5200 |
|
YWF-4D-550 with plate (ZF) |
380 |
3 |
0,65 |
1,2 |
1300 |
18,5 |
74 |
8500 |
|
YWF-4Е-550 with plate (ZF) |
220 |
1 |
0,55 |
2,45 |
1310 |
18,5 |
74 |
8500 |
|
YWF-6D-550 with plate (ZF) |
380 |
3 |
0,33 |
0,87 |
900 |
18,5 |
67 |
7100 |
|
YWF-6Е-550 with plate (ZF) |
220 |
1 |
0,33 |
1,68 |
910 |
18,5 |
67 |
7100 |
|
YWF-4D-630 with plate (ZF) |
380 |
3 |
0,86 |
1,95 |
1365 |
24,3 |
81 |
13000 |
|
YWF-4Е-630 with plate (ZF) |
220 |
1 |
0,81 |
3,5 |
1315 |
24,3 |
78 |
12500 |
|
YWF-6D-630 with plate (ZF) |
380 |
3 |
0,55 |
1,57 |
920 |
24,3 |
75 |
9580 |
|
YWF-6Е-630 with plate (ZF) |
220 |
1 |
0,50 |
2,2 |
930 |
24,3 |
75 |
9600 |
|
YWF-6D-710* with plate (ZF) |
380 |
3 |
∆ 1,1 |
2,35 |
900 |
39 |
80 |
15800 |
|
Y 0,7 |
1,2 |
760 |
39 |
13500 |
||||
|
YWF-6D-800* with plate (ZF) |
380 |
3 |
∆ 1,65 |
3,65 |
880 |
51 |
|
20800 |
|
Y 1,05 |
1,94 |
700 |
51 |
|
16900 |
|||
|
YWF-6D-910* with plate (ZF) |
380 |
3 |
∆ 2,45 |
4,7 |
870 |
54 |
|
25500 |
|
Y 1,55 |
2,6 |
670 |
54 |
|
21000 |
* ∆ – подключение треугольником; Y – подключение звездой
Аэродинамические характеристики



Электрические схемы подключения
Подключение вентиляторов производите в соответствии со схемой указанной в таблице
|
Модель |
Напряжение/ частота, В/50Гц |
Число фаз |
Потребляемая мощность, кВт |
Ток, А |
Частота вращения, об/мин |
Схема подключения |
|
YWF(K)2Е-200 |
220 |
1 |
0,08 |
0,35 |
2700 |
Схема № 1 |
|
YWF(K)4Е-200 |
220 |
1 |
0,029 |
0,12 |
1460 |
Схема № 1 |
|
YWF(K)2Е-250 |
220 |
1 |
0,18 |
0,78 |
2500 |
Схема № 1 |
|
YWF(K)4D-250 |
380 |
3 |
0,06 |
0,13 |
1350 |
Схема № 7 |
|
YWF(K)4Е-250 |
220 |
1 |
0,05 |
0,22 |
1380 |
Схема № 1 |
|
YWF(K)2D-300 |
380 |
3 |
0,25 |
0,45 |
2500 |
Схема № 7 |
|
YWF(K)2Е-300 |
220 |
1 |
0,25 |
1,1 |
2530 |
Схема № 1 |
|
YWF(K)4D-300 |
380 |
3 |
0,095 |
0,26 |
1400 |
Схема № 3 |
|
YWF(K)4Е-300 |
220 |
1 |
0,09 |
0,38 |
1370 |
Схема № 1 |
|
YWF(K)4D-350 |
380 |
3 |
0,145 |
0,37 |
1390 |
Схема № 3 |
|
YWF(K)4Е-350 |
220 |
1 |
0,138 |
0,68 |
1370 |
Схема № 1 |
|
YWF(K)6D-350 |
380 |
3 |
0,09 |
0,29 |
940 |
Схема № 7 |
|
YWF(K)6Е-350 |
220 |
1 |
0,08 |
0,4 |
930 |
Схема № 1 |
|
YWF(K)4D-400 |
380 |
3 |
0,19 |
0,48 |
1380 |
Схема № 3 |
|
YWF(K)4Е-400 |
220 |
1 |
0,18 |
0,81 |
1350 |
Схема № 1 |
|
YWF(K)6D-400 |
380 |
3 |
0,115 |
0,36 |
900 |
Схема № 7 |
|
YWF(K)6Е-400 |
220 |
1 |
0,115 |
0,67 |
940 |
Схема № 1 |
|
YWF(K)4D-450 |
380 |
3 |
0,25 |
0,58 |
1400 |
Схема № 7 |
|
YWF(K)4Е-450 |
220 |
1 |
0,25 |
1,15 |
1380 |
Схема № 1 |
|
YWF(K)6D-450 |
380 |
3 |
0,15 |
0,48 |
930 |
Схема № 3 |
|
YWF(K)6Е-450 |
220 |
1 |
0,12 |
0,6 |
950 |
Схема № 1 |
|
YWF(K)4D-500 |
380 |
3 |
0,45 |
0,93 |
1320 |
Схема № 3 |
|
YWF(K)4Е-500 |
220 |
1 |
0,42 |
1,85 |
1320 |
Схема № 1 |
|
YWF(K)6D-500 |
380 |
3 |
0,25 |
0,78 |
920 |
Схема № 3 |
|
YWF(K)6Е-500 |
220 |
1 |
0,23 |
1,15 |
920 |
Схема № 1 |
|
YWF(K)4D-550 |
380 |
3 |
0,65 |
1,2 |
1300 |
Схема № 3 |
|
YWF(K)4Е-550 |
220 |
1 |
0,55 |
2,45 |
1310 |
Схема № 1 |
|
YWF(K)6D-550 |
380 |
3 |
0,33 |
0,87 |
900 |
Схема № 3 |
|
YWF(K)6Е-550 |
220 |
1 |
0,33 |
1,68 |
910 |
Схема № 1 |
|
YWF(K)4D-630 |
380 |
3 |
0,86 |
1,95 |
1365 |
Схема № 7 |
|
YWF(K)4Е-630 |
220 |
1 |
0,81 |
3,5 |
1315 |
Схема № 8 |
|
YWF(K)6D-630 |
380 |
3 |
0,55 |
1,57 |
920 |
Схема № 3 |
|
YWF(K)6Е-630 |
220 |
1 |
0,50 |
2,2 |
930 |
Схема № 1 |
|
YWF(K)6D-710* |
380 |
3 |
∆ 1,1 |
2,35 |
900 |
Схема № 5 |
|
Y 0,7 |
1,2 |
760 |
Схема № 5 |
|||
|
YWF(K)6D-800* |
380 |
3 |
∆ 1,65 |
3,65 |
880 |
Схема № 5 |
|
Y 1,05 |
1,94 |
700 |
Схема № 5 |
|||
|
YWF(K)6D-910* |
380 |
3 |
∆ 2,45 |
4,7 |
870 |
Схема № 6 |
|
Y 1,55 |
2,6 |
670 |
Схема № 6 |



МАРКИРОВКА:
Вентилятор осевой YWF-4Е-250-B with plate
где: YWF – серия осевого вентилятора с защитной решеткой;
4 – число полюсов электродвигателя;
Е – комплектация однофазным двигателем;
(D - комплектация трехфазным электродвигателем);
250 – типоразмер вентилятора (по диаметру рабочего колеса);
B – нагнетание (S - всасывание);
with plate – с настенной панелью.
Не представленные в наличии модели доступны к поставке под заказ
Всю необходимую информацию также можно получить по телефону «горячей линии»
+ 7 800 200 93 96или по телефону
+7 800 505 08 67 получить консультацию